
我不是電工,業余畫畫。今天抽時間整理下昨天的圖紙,規范下,不當之處請多拍磚,這是道值得動腦筋的基礎題,正好學習下電工知識。
工作過程:
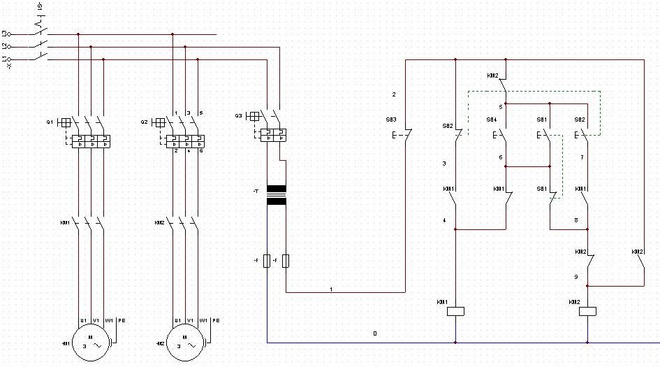
1.按下SB1,KM1啟動并自鎖,實現先啟動電機M1;然后可以按下SB4啟動KM2并自鎖,實現后啟動電機M2。按下SB2停止電機M1,實現先停止;再按下SB3停止電機M2,實現后停止。
2.單獨按下SB4,同時啟動KM1和KM2實現電機M1和電機M2同時啟動并自鎖,按下SB3同時停止電機M1和電機M2。
3.以上先后次序不能亂,即SB1-(電機M1先啟動)-SB4-(電機M2啟動)-SB2-(電機M1停止)-SB3(電機M2停止)。
4.我所理解的“先后啟動停止”應該是電機M1和電機M2先啟動一個,再啟動另一個,先啟動的先停止,后啟動的后停止,當然也可以同時停止。如果是啟動甲電機,停止甲電機后再去啟動乙電機,再然后停止乙電機,那就變成了分別啟停了,那樣的話樓主的題就變成了“可先后分別啟動和停止”這道題就簡單多了,也就沒啥意義了;如果先后啟動的電機都通過總停止按鈕去達到停止的目的,那就變成了“先后啟動并同時停止”也沒有多大意義。
5. 此題的目的簡單說來就是先來的先走,后來的后走,一塊來的一塊走。
6.就這樣吧