|
matengfei
攻人之過勿太嚴,要思其堪受;教人以善勿過高,要令其可從。
級別: 論壇先鋒
|
圖片:
這張電路圖中C1、R1是起什么作用的,還有從芯片的第11腳到16腳上接的電阻、電容是起什么作用的,求指教。網上雖然有關于這張電路的說明,原理圖能看懂個大概,但接線圖上出現的這兩點,我卻弄不明白。望知道的能麻煩給小弟講解一下。 ![]() |
|---|---|
|
|
|
wisexdh
承接電氣自動化設計、調試
級別: 略有小成
|
R1應該是用來分壓的!因為紅外熱釋電傳感器輸出的是電流信號;C1應該就是濾波的; 12、16上的電容電阻應該是震蕩電路,具體看看這個芯片的引腳說明呢! |
|
|---|---|---|
|
|
yyjjzz
級別: 探索解密
|
R1、C1消除信號中的雜波,11、16等腳上的外圍元件的作用要結合IC芯片的功能才能搞清楚。 |
|---|---|
|
|
|
wwcwwc
級別: VIP會員
|
要看懂此線路,你必須找到該芯片(集成電路)用戶手冊。一般用戶手冊能夠提供大概的內部電路,結合外部連接看電路更容易理解。 樓上所說的沒有錯。 |
|---|---|
|
|
|
matengfei
攻人之過勿太嚴,要思其堪受;教人以善勿過高,要令其可從。
級別: 論壇先鋒
|
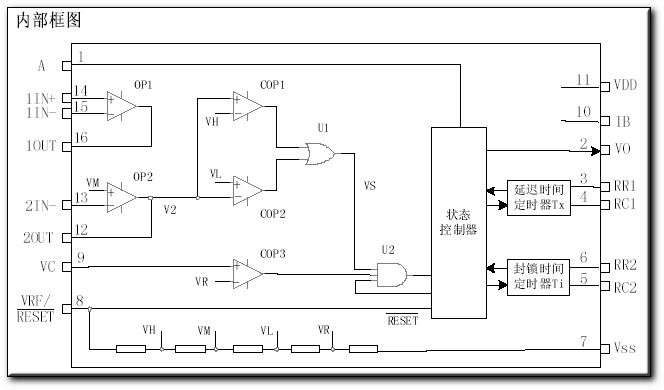
圖片:
內部電路圖和管腳說明:管腳說明 引腳名稱功能說明 1A 可重復觸發和不可重復觸發選擇端。當A為“1”時,允許重復觸發;反之,不可重復觸發 2 VO 控制信號輸出端。由VS的上跳變沿觸發,使Vo輸出從低電平跳變到高電平時視為有效觸發。在輸出延遲時間Tx之外和無VS的上跳變時,Vo保持低電平狀態。 3 RR1 輸出延遲時間Tx的調節端 4 RC1 輸出延遲時間Tx的調節端 5 RC2 觸發封鎖時間Ti的調節端 6 RR2 觸發封鎖時間Ti的調節端 7 VSS 工作電源負端 8 VRF 參考電壓及復位輸入端。通常接VDD,當接“0”時可使定時器復位 9 VC 觸發禁止端。當Vc<VR時禁止觸發;當Vc>VR時允許觸發(VR≈0.2VDD) 10 IB 運算放大器偏置電流設置端 11 VDD 工作電源正端 12 2OUT 第二級運算放大器的輸出端 13 2IN- 第二級運算放大器的反相輸入端 14 1IN+ 第一級運算放大器的同相輸入端 15 1IN- 第一級運算放大器的反相輸入端 16 1OUT 第一級運算放大器的輸出端 可是就我上面提出的問題怎么理解呢? |
|---|---|
|
|