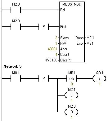
你這個程序還蠻復雜的,掛了9個從站(3~11號站),調用了19個MBUS_MSG指令。你這19個MBUS_MSG指令都是同時執行的(都用SM0.0使能),肯定出錯(錯誤代碼6)。應該參考幫助里面的程序,讓每個MBUS_MSG指令輪流執行,執行完一條MBUS_MSG指令就將激活該MBUS_MSG指令的位復位并激活下一條MBUS_MSG指令,如下圖:
你可以這樣改,將所有MBUS_MSG指令做在一個開機無條件執行的塊內,不要分在那么多個塊,免得編程的時候編錯了;編一段程序讓PLC一運行就將所有激活MBUS_MSG指令的各個位復位(用SM0.1);再編一段程序,讓系統一啟動就讓MBUS_MSG指令輪流循環執行。
你編程的時候還有一個地方錯了,就是激活MBUS_MSG指令的EN端和First端必須為同一個位(見上圖)。